武汉中夏无线电有限公司36年生产
咨询热线
18171457862
新闻详情

简单有效的LED照明灯驱动电路

发表时间:2022-01-10 13:09
随着固态照明工业领域的兴起与不断改进,发光二极管(LED)因其具有高效、节能、寿命长、环保等特点,已成为现今照明技术的可选方案,并逐渐被应用于照明。促使人们关注LED照明技术的一个关键因素是,其大大降低了能源的消耗,并可实现长期可靠的工作。当然,采用LED照明,首先需要考虑的是其亮度、成本以及寿命。由于影响LED寿命的主要原因是其频繁启动瞬间的电流冲击,外界的各种浪涌脉冲,以及正常工作时的电流限制等,笔者在本文介绍的电路综合了这些因素,从电路设计上尽量避免大电流对LED照明灯具的冲击,并将其工作电流稳定在某一范围内,解决了目前LED照明灯具的亮度衰减问题,从2而有效地延长其使用寿命。
简单有效的LED照明灯驱动电路LED lighting
一、驱动电源
LED均采用直流驱动,因此在市电与LED之间需要加一个电源适配器即LED驱动电源。它的功能是把交流市电转换成适合LED的直流电。通常驱动LED采用专用恒流源或者驱动芯片,容易受体积和成本等因素的限制,最经济实用的方法就是采关于LED的驱动方式LED驱动电源按其驱动方式可以分为恒流式和稳压式。恒流式驱动电路输出的电流是恒定的,输出的直流电压随着负载阻值的大小不同会在一定范围内变化,负载阻值小,输出电压就低,负载阻值越大,输出电压也越高。对于稳压电源电路而言,其输出的电压是固定的,而输出的电流却随着负载的增减而变化。
由于LED是电流随电压变化显著的器件,当LED正向导通时,其正向电压的微小变化便可引起LED电流的巨大变化。对于稳压式LED驱动电源,当负载变化时,电流波动较大,LED在大电流下工作较长时间会损坏。
简单有效的LED照明灯驱动电路LED lighting
实验表明,当流经LED的实际电流为其允许的最大电流的70%时,LED的发光效能为最佳。同时,由于发光二极管PN结的电压温度系数为-2mV/℃左右,当LED散热不良导致温度升高时,其工作电流也会较初始阶段有明显变化,这也是市面上各种LED产品快速老化的主要原因。显然,保证LED的驱动电流稳定对于LED的防老化显得尤为重要。因此,恒流式驱动电源是比较理想的LED驱动方式。用电容降压式电源。用它驱动小功率LED,具有不怕负载短路、电路简单等优点,而且一个电路能驱动1~70个小功率LED(但是,这种电源电路启动时的电流冲击,尤其是频繁启动,会给LED造成破坏。当然,采取适当的保护便可避免这种冲击)。
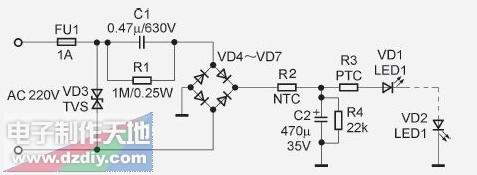
F,oI的单位是A。限流电容必须采用无极性电容,而且电容的耐压值须在630V以上。m电容降压式电源的典型电路如图1所示,C1为降压电容器(采用金属化聚丙烯电容),R1为C1提供放电回路。电容C1为整个电路提供恒定的工作电流。电容C2为电解电容,其耐压值取决于所串联的LED的个数(约为其总电压的1.5倍以上),它的主要作用是抑制通电瞬间引起的电压突变,从而降低电压冲击对LED寿命的影响。R4为电容C2的泄流电阻,其阻值应随着LED个数的增加适当增加。需要注意的是,该电路必须根据负载的电流大小选取适当的电容,而不是依据负载的电压和功率,通常降压电容C1的容量C与负载电流Io的关系可近似认为:C=14.5oI,其中C的容量单位是
简单有效的LED照明灯驱动电路LED lighting
图2PTC热敏电阻
二、保护电路
由于电容降压电源是一种非隔离式电源,在通电瞬间会产生很大的电流,也就是所谓的浪涌电流。此外,由于外界环境的影响(如雷击),电网系统会侵入各种浪涌信号,有些浪涌会导致LED的损坏。而LED抗浪涌电流和抗反向电压能力都比较差,加强这方面的保护也非常重要,尤其是有些LED灯装在户外(如LED路灯)。因此LED驱动电源要有抑制浪涌的侵入、保护LED不被损坏的能力。本电路用负温度系数热敏电阻来限制电流的突变,利用正温度系数热敏电阻自动调节电流大小,使之趋于某个特定的变化范围,同时在电源输入端并有瞬态电压抑制器以避免电压过载。
(一)负温度系数热敏电阻保护
负温度系数热敏电阻简称NTC热敏电阻,NTC是NegativeTemperatureCoefficient的缩写,意思是负的温度系数,泛指负温度系数很大的半导体材料或元器件,限制浪涌电流的最简单有效的方法是在线路输入端串联一只NTC热敏电阻,如图1中的R2。由于在冷启动时,NTC热敏电阻呈现高阻抗,因而使浪涌电流得到限制。而当电流的热效应使NTC热敏元件的温度升高,NTC阻值急剧下降时,对系统的电流限制作用会较小。由于NTC热敏电阻在热态下的阻抗并不是零,故会产生功率损耗,当然,这种损耗是很小的。
(二)正温度系数热敏电阻保护
正温度系数热敏电阻PTC(PositiveTemperatureCoefflCient)是指在某一温度下电阻急剧增加、具有正温度系数的热敏电阻。为使电路中的电流在正常工作下趋于稳定,本电路还采用了PTC热敏电阻(见图2),如图1中的R3。电流通过PTC热敏电阻后引起温度升高,即发热体的温度上升,当超过居里点温度后,电阻增加,从而限制电流增加,于是电流的下降导致元件温度降低,电阻值的减小又使电路电流增加,元件温度又升高,周而复始,因此具有使温度保持在特定范围的功能。正常情况下,PTC元件串接在电路中,呈低阻状态,保证电路正常工作;当电路发生短路或窜入异常大电流时,PTC元件的自热使其阻抗增加把电流限制到足够小,起到过电流保护作用。当产生过电流的故障得到排除,PTC元件自动复原到低阻状态。既避免了维护更换,也避免了可能引起电路损坏的持续循环的开闭状态。
简单有效的LED照明灯驱动电路LED lighting
图3笔者制作的照明模块
(三)瞬态电压抑制器保护
瞬态电压抑制器(TransientVoltageSuppressor),简称TVS,是在稳压管基础上发展起来的一种高效保护器件,主要用于对电路元件进行快速过压保护。当TVS管两极受到反向瞬态高能量冲击时,它能以10~12s量级的速度将两极间的高阻抗变为很低的阻抗,吸收高能量的浪涌,将两极间的电压钳位于一个预定值,保护电子线路中的元器件免受各种浪涌脉冲的冲击而损坏。对于过压保护这一方面,本电路就是在电源输入端并联了TVS,如图1中的VD3,这样可以将电压维持在TVS最大承受范围之内,当出现电压高于TVS击穿点的过压现象时,可以让电流流经TVS,借此保护LED照明灯具。实验表明,将指针万用表串入电路后,在电路通电瞬间,指针突然偏转大角度的现象得到明显的改善,有效地防止了浪涌电流对LED的冲击。同时,启动一段时间后,电流有所下降,并逐渐趋于稳定。在器件的选用方面,用1W的金属膜电阻或线绕电阻代替NTC也可达到要求,过压保护选用TVS或者压敏电阻均可。在线路板设计方面,需要注意的是,高压输入部分(即电源输入端到整流桥部分)应尽量远离后面的负载电路,而且在允许的情况下,高压输入部分导线间的距离应保证在1mm以上。基于这些方面的考虑,笔者设计了如图3所示LED照明灯具,此照明模块已经连续工作了4年左右,亮度未见有所衰减,而且未经任何维护。此电路易于推广、普及,可广泛应用于公共照明、走廊、仓库等。
简单有效的LED照明灯驱动电路LED lighting


分享到:
Copyright 1988-2022 中夏科技 All Rights Reserved 地址:武汉市洪山区白沙洲银湖中小企业城23栋8楼 电话:027-887338647